
Miniature Bearings Australia
CLP-080-0176G-CZ - Datasheet
MBA
Category Information
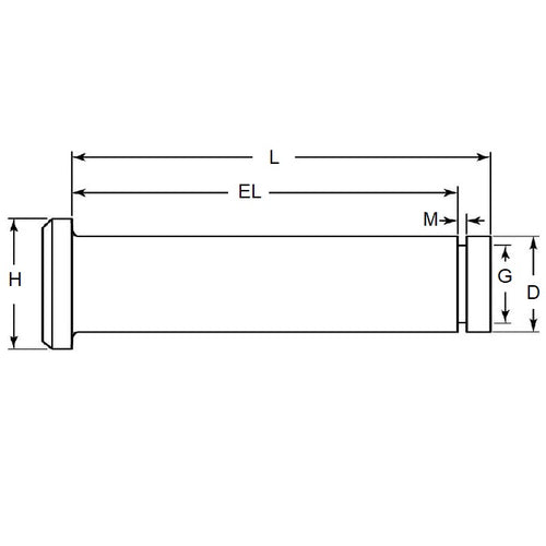
Pins - Clevis - Groove Locking - Zinc PlatedZinc Plated Groove Locking Clevis Pins. Match with a suitable E-Clip or Circlip to suit groove size shown in listings
- In addition to retaining parts on a shaft or axle, clevis pins can also be used as light duty axles, spring holders or even fishing line weights.
- Sinc plated low carbon steel
- Grooved end to suit retaining clip instead of pin.
Product Data
- Nom. Pin Diameter (D)
:
8.00
mm
- 0.05 / - 0.18
(Equiv. 0.315 in.) - Grip Length (EL)
17.56
mm
+ 0.51 / - 0.00
(Equiv. 0.691 in.) - Nom. Length (L)
20.00
mm
+ 0.51 / - 0.00
(Equiv. 0.787 in.) - Head Diameter (H) 14.00 mm
- Groove Diameter (G) 7.0 mm
- Groove Width (M) 0.9 mm
- Suggested E-Clip ECL-0070-0080-S15
- Material Zinc Plated Low Carbon Steel
Product Compliance and Data
Additional Resources
Cross References
- NoCor CLPGMZ-080-020
- CLP0800200GZ
- CLP0800176GZ
- CLPGMZ080020



