
Miniature Bearings Australia
BF0080-0120-0080-BS1630TT - Datasheet
MBA
Category Information
Bushes - Flanged - Bronze - SinteredSintered Bronze Flanged Bushes. Oil impregnated flanged sintered bronze bushes.
- An expanded range may be available on special order. Please enquire.
- Precision items show an allowable Load Speed Rating in Newtons times RPM.
Product Data
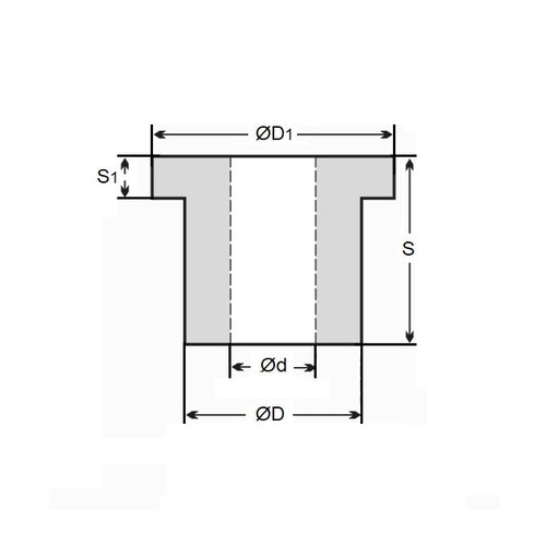
- Nominal Inside Diameter (d) 
:
8.000
mm
+ 0.025 / + 0.051
 (Equiv. 0.315 in.)
- Nominal Outside Diameter (D) 
12.000
mm
+ 0.023 / + 0.041
 (Equiv. 0.472 in.)
- Length (s) 
8.000
mm
+/- 0.127
 (Equiv. 0.315 in.)
- Flange OD (D1) 16.00 mm
- Flange Thickness (S1) 3.00 mm
- Material Bronze SAE 841 Sintered
Product Compliance and Data
Additional Resources
- DU Bush Material Information
- General Bushes Catalogue
- Sintered Bronze Products Catalogue
- Solid Bronze Bushes catalogue
Cross References
- 6659K677
- Oilube FM-812-8
- BF008001200080BSF1620
- BF008001200080BS1620LT
- BF008001200080BS1630
- BF008001200080BS1630TL
- A7B4MF081208
- QFM108
- QFM10-8
- FM8128
 
 
 


