
Miniature Bearings Australia
BF0080-0120-0100-PRJ - Datasheet
MBA
Category Information
Bushes - Flanged - Plastic - Rulon JRulon J Plastic Flanged Bushes. Max Load: 5.2 MPa (750 psi). Gold colour. Max surface speed: 2m/s. Max PV: 0.26 (Mpa x m/s)
- An expanded range may be available on special order. Please enquire.
- Non Metallic Bushes. Excellent insulator. Nor suitable for steam or wet conditions. Not FDA compliant. Suitable for dry conditions or vacuum.
- 288 oC (550 Deg F) Maximum Working Temperature.
- Patented all polymeric PTFE compound which operates well against soft mating surfaces.
- Lowest co-efficient of friction in the Rulon(R) product range.
Product Data
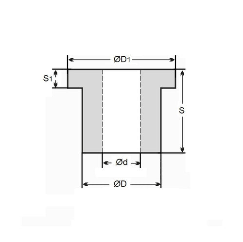
- Nominal Inside Diameter (d)
:
8.000
mm
+ 0.17 / + 0.22
(Equiv. 0.315 in.) - Nominal Outside Diameter (D)
12.000
mm
+ 0.07 / + 0.12
(Equiv. 0.472 in.) - Length (s)
10.000
mm
+ 0.00 / - 0.25
(Equiv. 0.394 in.) - Flange OD (D1) 16.00 mm
- Flange Thickness (s1) 2.00 mm
- Rec. Housing Bore 12.000 / 11.980 mm
- Rec. Shaft Size 8.000 / 7.800
- Material Rulon J
Product Compliance and Data
Additional Resources
- DU Bush Material Information
- General Bushes Catalogue
- Sintered Bronze Products Catalogue
- Solid Bronze Bushes catalogue
Cross References
- Rulon MRF0812-10-J
- MRF081210J


