
Miniature Bearings Australia
BP0080-0100-0150-PF - Datasheet
MBA
Category Information
Bushes - Unflanged - Plastic - Iglidur FIglidur F Plastic Unflanged Bushes. Electrically conductive. High Compressive Strength. High Temp. Resistant to Chemicals.
- An expanded range may be available on special order. Please enquire.
 - Specific Gravity 1.25 g/cm3.
 - Operating Temp 180 C short term / 140 C long term.
 - Tensile Strength at 20 Deg C = 260 Mpa.
 - Hardness 84 Shore D (DIN53505).
 - Bushing bore tolerance shown is after a H7 press fit.
 
Product Data
Deleted Item. Available while stocks last.
Please contact us first if you wish to use this item in a new design so we can check whether production can be resumed.
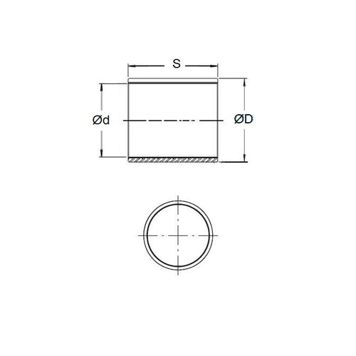
- Nominal Inside Diameter (d) 
:
8.000
mm
+ 0.040 / + 0.130
(Equiv. 0.315 in.) - Nominal Outside Diameter (D) 
10.000
mm
(Equiv. 0.394 in.) - Length (s) 
15.000
mm
+ 0.000 / - 0.270
(Equiv. 0.591 in.) - Material Iglidur F
 
Product Compliance and Data
Additional Resources
- DU Bush Material Information
 - General Bushes Catalogue
 - Sintered Bronze Products Catalogue
 - Solid Bronze Bushes catalogue
 
Cross References
- Igus FSM-0810-15
 - FSM081015
 


