
Miniature Bearings Australia
GE-08890-13970-ST-OH - Datasheet
MBA
Category Information
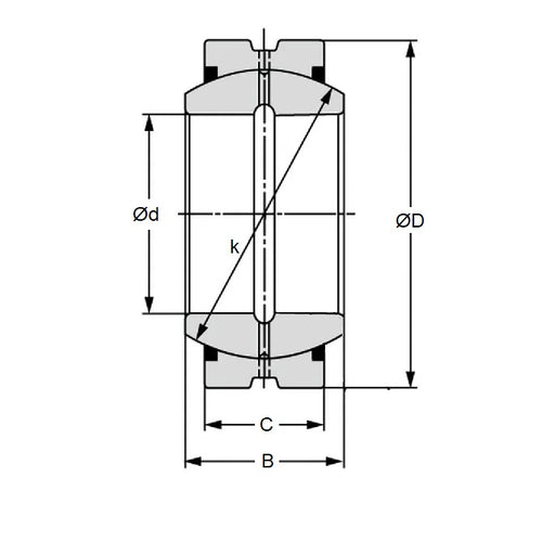
Bushings - Spherical - Steel - With Oil HoleWith Oil Hole Steel Spherical Bushings. Steel spherical plain bearings. Also known as ball bushings.
- Compensates for axial loads and misalignment.
Product Data
- Bore (d1)
:
88.900
mm
(Equiv. 3.5 in.) - OD (d2)
139.700
mm
(Equiv. 5.5 in.) - Width (B)
77.770
mm
(Equiv. 3.062 in.) - Outer Width (C) 66.68 mm
- Dynamic Load Capacity 85300 kgf
- Static Load Capacity 512000 kgf
- Features No Wiper Seals / With Oil Hole
- Material Steel
Product Compliance and Data
Additional Resources
Cross References
- IKO SBB56
- Nachi SBB-56



