
Miniature Bearings Australia
BP0889-1016-0889-BSTT - Datasheet
MBA
Category Information
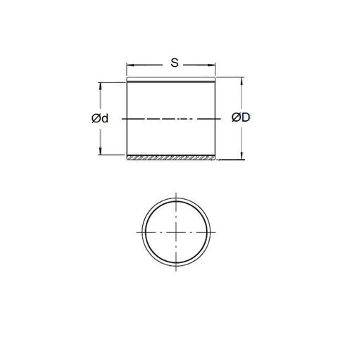
Bushes - Unflanged - Bronze - SinteredSintered Bronze Unflanged Bushes. Oil impregnated sintered bronze bushes.
- An expanded range may be available on special order. Please enquire.
- Precision items show an allowable Load Speed Rating in Newtons times RPM.
Product Data
- Nominal Inside Diameter (d)
:
88.900
mm
+ 0.076 / + 0.127
(Equiv. 3.5 in.) - Nominal Outside Diameter (D)
101.600
mm
+ 0.089 / + 0.152
(Equiv. 4 in.) - Length (s)
88.900
mm
+/- 0.254
(Equiv. 3.5 in.) - Material Bronze SAE 841 Sintered
Product Compliance and Data
Additional Resources
- DU Bush Material Information
- General Bushes Catalogue
- Sintered Bronze Products Catalogue
- Solid Bronze Bushes catalogue
Cross References
- 6391K696
- Bunting EP566456
- Daemar P-350-28
- Oilube P-350-28
- Symmco SS-112128-56
- SS11212856
- BP088910160889BS
- BP088910160889BSHH
- BP088910160889BSTH
- P35028
- A7B4SP709228
- A7B4-SP709228


