
Miniature Bearings Australia
GE-08500-13500-ST-OH-SP - Datasheet
MBA
Category Information
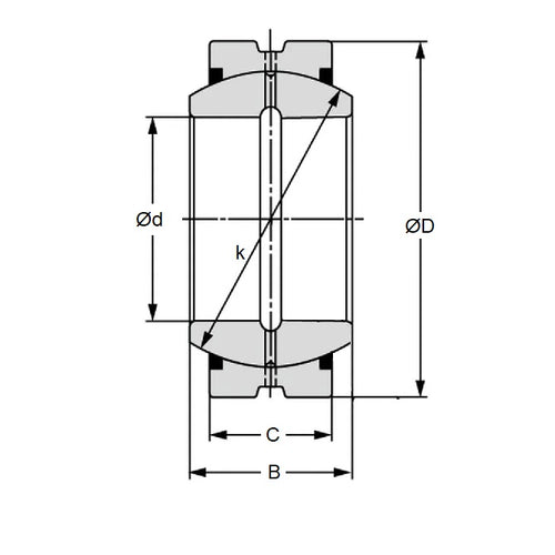
Bushings - Spherical - Steel - With Oil HoleWith Oil Hole Steel Spherical Bushings. Steel spherical plain bearings. Also known as ball bushings.
- Compensates for axial loads and misalignment.
Product Data
- Bore (d1)
:
85.000
mm
(Equiv. 3.346 in.) - OD (d2)
135.000
mm
(Equiv. 5.315 in.) - Width (B)
74.000
mm
(Equiv. 2.913 in.) - Outer Width (C) 63.00 mm
- Dynamic Load Capacity 78800 kgf
- Static Load Capacity 473000 kgf
- Features Spring and oil Hole on OD
- Material Steel
Product Compliance and Data
Additional Resources
Cross References
- IKO SB-8513574
- SB8513574



