
Miniature Bearings Australia
GE-08500-13500-ST-OH - Datasheet
MBA
Category Information
Bushings - Spherical - Steel - With Oil HoleWith Oil Hole Steel Spherical Bushings. Steel spherical plain bearings. Also known as ball bushings.
- Compensates for axial loads and misalignment.
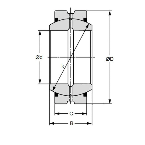
Product Data
- Bore (d1)
:
85.000
mm
(Equiv. 3.346 in.) - OD (d2)
135.000
mm
(Equiv. 5.315 in.) - Width (B)
74.000
mm
(Equiv. 2.913 in.) - Outer Width (C) 63.00 mm
- Dynamic Load Capacity 78800 kgf
- Static Load Capacity 473000 kgf
- Features No Wiper Seals / With Oil Hole
- Material Steel
Product Compliance and Data
Additional Resources
Cross References
- Nachi SB-85A
- IKO SB-85-A
- SB85A



