
Miniature Bearings Australia
P206 - Datasheet
MBA
Category Information
Housings - Cast Iron Pillow BlockCast Iron Pillow Block Housings. Lubrication Groove.
- An expanded range may be available on special order. Please enquire.
- Bearings sold separately.
- Larger sizes available on request.
- Use with steel bearing inserts for cast iron housings.
Product Data
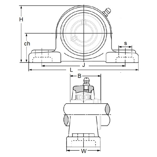
- Height (H)
:
83.000
mm
(Equiv. 3.268 in.) - Length (L)
165.000
mm
(Equiv. 6.496 in.) - Base Width (W)
48.000
mm
(Equiv. 1.89 in.) - Bolt Hole Centres (J) 121.000 mm
- Centre Height (cH) 42.900 mm
- Bearing Width (B) 38.100 mm
- To Suit Bearing UC206
- Bolt Hole Size (s) 17 x 21 mm
- Material Cast Iron
Product Compliance and Data
Additional Resources
Cross References
- Nachi P206J


