
Miniature Bearings Australia
GE-08255-13018-ST-OH-W - Datasheet
MBA
Category Information
Bushings - Spherical - Steel - With Oil Hole and Wiper SealWith Oil Hole and Wiper Seal Steel Spherical Bushings. Steel spherical plain bearings. Also known as ball bushings.
- Compensates for axial loads and misalignment.
Product Data
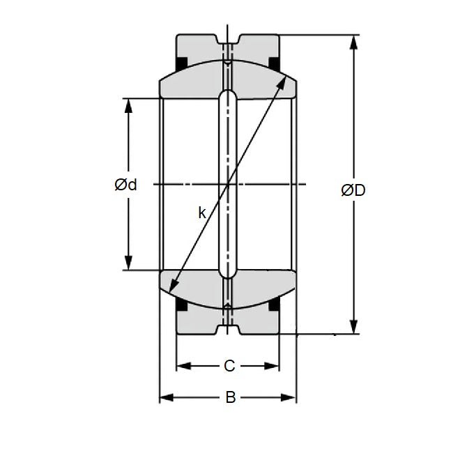
- Bore (d1)
:
82.550
mm
(Equiv. 3.25 in.) - OD (d2)
130.180
mm
(Equiv. 5.125 in.) - Width (B)
72.240
mm
(Equiv. 2.844 in.) - Outer Width (C) 61.90 mm
- Dynamic Load Capacity 73700 kgf
- Static Load Capacity 442000 kgf
- Features With Wiper Seals / With Oil Hole
- Material Steel
Product Compliance and Data
Additional Resources
Cross References
- Nachi SBB-52-2RS
- IKO SBB52-2RS
- Nachi SBB-52-RS
- IKO SBB52-RS
- SBB522RS
- SBB52RS
- SBB5RS



