
Miniature Bearings Australia
GE-08000-13000-ST-OH - Datasheet
MBA
Category Information
Bushings - Spherical - Steel - With Oil HoleWith Oil Hole Steel Spherical Bushings. Steel spherical plain bearings. Also known as ball bushings.
- Compensates for axial loads and misalignment.
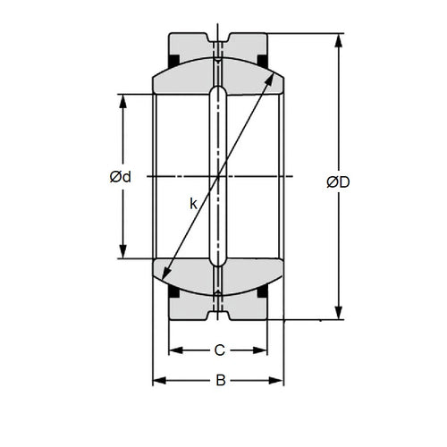
Product Data
- Bore (d1)
:
80.000
mm
(Equiv. 3.15 in.) - OD (d2)
130.000
mm
(Equiv. 5.118 in.) - Width (B)
75.000
mm
(Equiv. 2.953 in.) - Outer Width (C) 50.00 mm
- Dynamic Load Capacity 57500 kgf
- Static Load Capacity 345000 kgf
- Features No Wiper Seals / With Oil Hole
- Material Steel
Product Compliance and Data
Additional Resources
Cross References
- IKO GE80GS
- Nachi GE-80GS
- Nachi SB-80A
- IKO SB-80-A
- SB80A



