
Miniature Bearings Australia
RR-318 - Datasheet
MBA
Category Information
Retaining Rings - Internal - Spiral Rings - Medium Duty - Carbon SteelCarbon Steel Medium Duty Spiral Rings Internal Retaining Rings. Includes AI / WH / AS3217 / RR / MIL-R-27426B1 - Spring Steel
- An expanded range may be available on special order. Please enquire.
- Popular series that will accommodate light and medium bearing series thrust loads.
- Available in military and aerospace specifications.
- Equivalent to Associated Spring: AI, Smalley: WH, Spirolox and Ramsey: RR, Aerospace AS3217, MIL-R-27426B1
Product Data
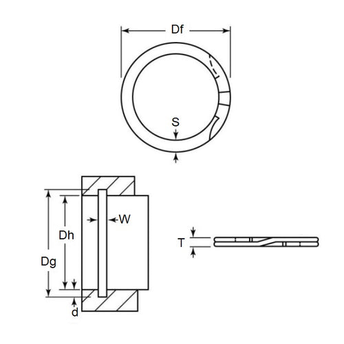
- Housing Bore (B)
:
80.95
mm
(Equiv. 3.187 in.) - Clip Thickness (T)
1.55
mm
+/- 0.08
(Equiv. 0.061 in.) - Groove Dia. (Dg)
83.39
mm
(Equiv. 3.283 in.) - Approx. Loose Circlip OD (Dr) 84.51 mm + 0.76 / - 0.00
- Radial Wall (S) Approx. 4.52 mm +/- 0.13
- Groove Width (W) 1.79 mm +/- 0.15
- Approx. Loose Clip ID 75.47 +/- 0.06
- Groove Depth (d) 1.22
- Material Carbon Spring Steel
Product Compliance and Data
Additional Resources
Cross References
- Associated Spring AI-318
- Smalley RR-318
- Spirolox RR-318
- Smalley WH-318
- Spirolox WH-318
- AI318
- WH318
- RR318


