
Miniature Bearings Australia
FL206PE - Datasheet
KMS
Category Information
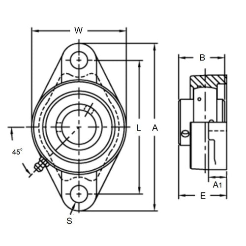
Housings - Flanged - 2 Bolt - Plastic to Suit Spherical OD BearingPlastic to Suit Spherical OD Bearing 2 Bolt Flanged Housings. Load and speed capability depend on the bearing used.
- An expanded range may be available on special order. Please enquire.
- Use with steel or plastic bearing inserts for plastic housings.
Product Data
Deleted Item. Available while stocks last.
Please contact us first if you wish to use this item in a new design so we can check whether production can be resumed.
- Height (H)
:
80.000
mm
(Equiv. 3.15 in.) - Length (L)
148.000
mm
(Equiv. 5.827 in.) - Width - Assembled (W)
35.950
mm
(Equiv. 1.415 in.) - Bolt Hole Centres (J) 117.000 mm
- Base Width (A1) 13.300 mm
- Bearing Width (B) 18.000 mm
- To Suit Bearing UC206 - UCDR206 - S6-UC206
- Bolt Hole Size (s) 11.11 mm
- Material Polyethylene
Product Compliance and Data
Additional Resources
Cross References
- KMS NFL206



