
Miniature Bearings Australia
CC-085-095-CZ - Datasheet
MBA
Category Information
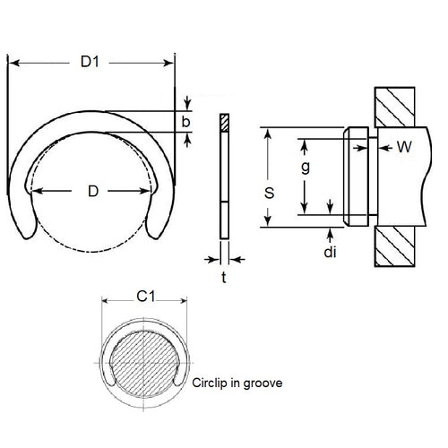
Retaining Rings - CrescentCrescent Retaining Rings. Variation of an E-Clip with an open face. Also known as a C-Clip.
- Narrow section height provides good clearance capabilities.
- Absence of teeth and deep set mean less thrust load ratings than e-clips.
- For best results install using the recommended applicator tool.
Product Data
- Groove Diameter (G)
:
8.51
mm
(Equiv. 0.335 in.) - Shaft Diameter (S)
9.53
mm
(Equiv. 0.375 in.) - Thickness (t)
0.64
mm
(Equiv. 0.025 in.) - Clip OD in groove (C1) 11.94 mm
- Clip OD Loose (D1) 11.38 mm
- Groove Width (W) 0.74
- Material Carbon Spring Steel Zinc Plated
Product Compliance and Data
Additional Resources
Cross References
- Military 16632-037-ZD/B
- Military 16632-037-ZD-B
- Waldes 5103-037-ZD/B
- Waldes 5103-037-ZD-B
- Ellison 9103-037-ZD/B
- Ellison 9103-037-ZD-B
- NoCor C-037-ZD/B
- Rotor Clip C-037-ZD/B
- NoCor C-037-ZD-B
- Rotor Clip C-037-ZD-B
- N1800-037-ZD-B
- N1800037ZDB
- N1800-037-ZD/B
- N1800037ZD/B
- 16632037ZD/B
- 16632037ZDB
- 9103037ZDB
- 9103037ZD/B
- 5103037ZDB
- 5103037ZD/B
- C037ZD/B
- C037ZDB


