
Miniature Bearings Australia
SHX-TP-0417C-06-035-A - Datasheet
MBA
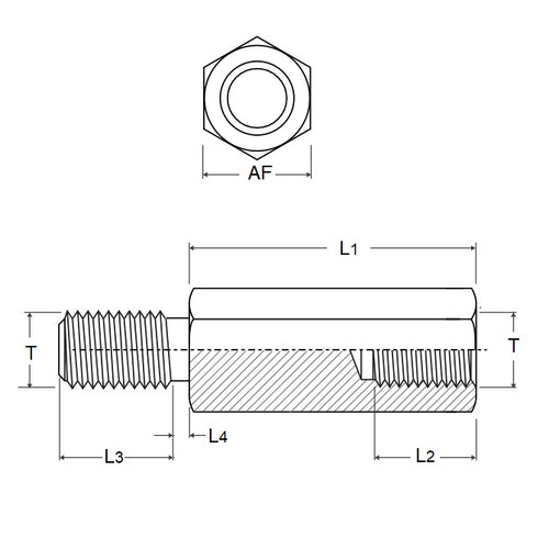
Product Data
- Thread Size : 8-32 UNC (4.17mm)
- Stud Length (L3)
9.53
mm
(Equiv. 0.375 in.) - Base Length (L1)
25.40
mm
(Equiv. 1 in.) - Across Flats (A/F) 6.35 mm
- Bore Thread Length (L2) 11.11 mm
- Finish Plain
- Material Aluminium
Product Compliance and Data
Additional Resources
Cross References
- 93505A456
- RAF-646
- RAF646



