
Miniature Bearings Australia
NT042C-TH1206-S3 - Datasheet
MBA
Category Information
Nuts - Thumb - BasicBasic Thumb Nuts. This is the main category in this series
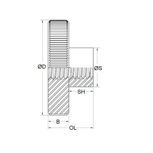
Product Data
- Thread Size : 8-32 UNC (4.17mm)
- Overall Length
9.5
mm
(Equiv. 0.374 in.) - Head Width (B)
3.18
mm
(Equiv. 0.125 in.) - Head Diameter 12.70 mm
- Shoulder Diameter 7.94 mm
- Shoulder Height 6.35 mm
- Material Stainless Steel 303/304 (Similar to A2, 18-8) HRB80
Product Compliance and Data
Additional Resources
Cross References
- 91833A125
- SKN30
- SKN-30



