
Miniature Bearings Australia
SS042C-0159-S4 - Datasheet
Brighton Best
Category Information
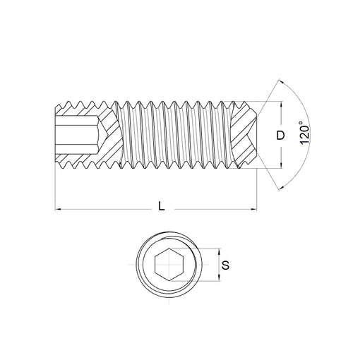
Socket Set Screws - Standard Cup Point - 304 Stainless Steel DIN916304 Stainless Steel DIN916 Standard Cup Point Socket Set Screws. Standard grub screws. UNC - UNF - BA - METRIC.
- Socket driven grub screw with a standard cup point.
Product Data
- Thread Size : 8-32 UNC (4.17mm)
- Thread Length (L)
15.9
mm
(Equiv. 0.626 in.) - Type Standard Cup Point
- Hex Key Size 1.98 (5/64)
- Pitch 0.794 mm
- Threads Per Inch 32 TPI
- Material Stainless Steel 304 (Similar to A2, 18-8) HRB80
Product Compliance and Data
Additional Resources
- Screws & Nuts Catalogue
- Shoulder Screws Catalogue
- Socket Set (Grub) Screws Catalogue
- Thumb Screws & Thumb Nuts Catalogue
- Thread Size Chart - Combined Imperial & Metric
Cross References
- Brighton Best 602128
- 92311A196


