
Miniature Bearings Australia
BF0080-0100-0100-AOI - Datasheet
MBA
Category Information
Bushes - Flanged - Plastic - Acetal - Oil ImpregnatedOil Impregnated Acetal Plastic Flanged Bushes. Oil impregnated acetal with self-lubricating characteristics.
- An expanded range may be available on special order. Please enquire.
 
Product Data
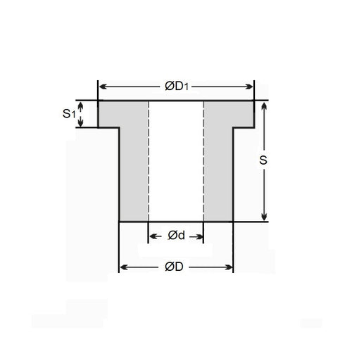
- Nominal Inside Diameter (d) 
:
8.000
mm
(Equiv. 0.315 in.) - Nominal Outside Diameter (D) 
10.000
mm
(Equiv. 0.394 in.) - Length (s) 
10.000
mm
(Equiv. 0.394 in.) - Flange OD (D1) 15.00 mm
 - Flange Thickness (s1) 1.00 mm
 - Material Acetal Oil Filled
 
Product Compliance and Data
Additional Resources
- DU Bush Material Information
 - General Bushes Catalogue
 - Sintered Bronze Products Catalogue
 - Solid Bronze Bushes catalogue
 
Cross References
- DAIDO DBS0810-15F
 - DBS081015F
 


