
Miniature Bearings Australia
CC-080-090-C - Datasheet
MBA
Category Information
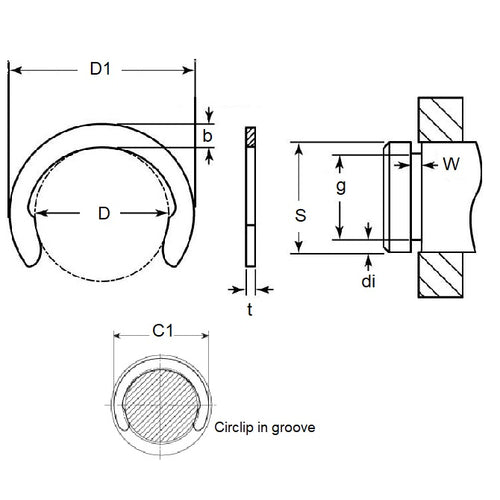
Retaining Rings - CrescentCrescent Retaining Rings. Variation of an E-Clip with an open face. Also known as a C-Clip.
- Narrow section height provides good clearance capabilities.
- Absence of teeth and deep set mean less thrust load ratings than e-clips.
- For best results install using the recommended applicator tool.
Product Data
- Groove Diameter (G)
:
8.00
mm
(Equiv. 0.315 in.) - Shaft Diameter (S)
9.00
mm
(Equiv. 0.354 in.) - Thickness (t)
1
mm
(Equiv. 0.039 in.) - Clip OD in groove (C1) 11.400 mm
- Clip OD Loose (D1) 11.200 mm
- Groove Width (W) 1.10
- Material Carbon Spring Steel Self Finish
Product Compliance and Data
Additional Resources
Cross References
- NoCor DC-009
- M18000090APP
- M1800-0090APP
- DC009



