
Miniature Bearings Australia
SLQ-0794-1270-05715-T - Datasheet
MBA
Category Information
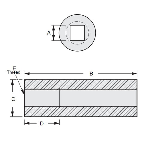
Sleeves - Square Hole - Threaded - Carbon SteelCarbon Steel Threaded Square Hole Sleeves. Square and concentric to 0.076mm (0.003in). Threaded.
- Precisely machined, round outer surface and a uniform, precisely square-shaped hole completely through its center.
Product Data
- Nominal Square Size
:
8.065
mm
+/- 0.0254
(Equiv. 0.318 in.) - Outside Diameter (C)
12.700
mm
(Equiv. 0.5 in.) - Length (B)
57.150
mm
(Equiv. 2.25 in.) - Actual Square Size (A) 7.938 mm
- Thread Depth (D) 14.300 mm
- Thread Size 3/8-24 UNF (9.525mm)
- Material Carbon Steel 11L17
Product Compliance and Data
Additional Resources
Cross References
- SHS31
- SHS-31
- A7C19-T031
- A7C19T031


