
Miniature Bearings Australia
BFM-8M-P - Datasheet
MBA
Category Information
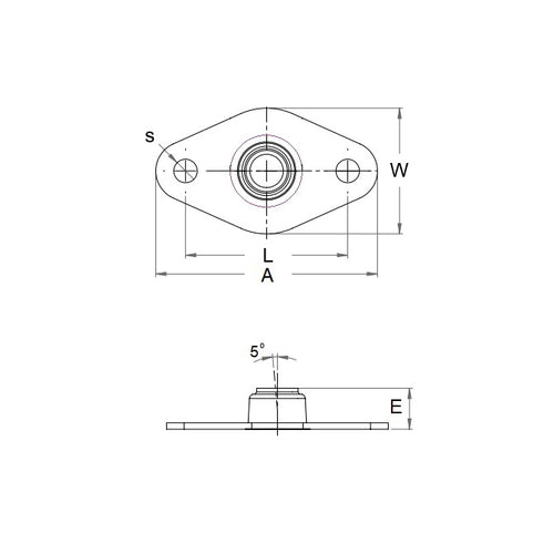
Housing and Bearing Assembly - Flanged 2 Bolt - Aligning - PTFE BronzePTFE Bronze Aligning Flanged 2 Bolt Housing and Bearing Assembly. Low profile self aligning flange mounted PTFE bronze bearings
- Bearing housing assemblies combine matching parts already assembled. Bearings in this range refer to either ball bearings or plain bearings. Refer to the listings for each type.
- Flanged mounting allows for a shaft to run through a bulkhead to which the housing is mounted, or to have a shaft mounted perpendicular to a metal frame.
- +/- 5% Static Alignment
Product Data
Deleted Item. Available while stocks last.
Please contact us first if you wish to use this item in a new design so we can check whether production can be resumed.
- Nominal Shaft Size
:
8.000
mm
(Equiv. 0.315 in.) - Width (W)
53.00
mm
(Equiv. 2.087 in.) - Overall Length (A)
16.50
mm
(Equiv. 0.65 in.) - Overall Height (E) 30.20 mm
- Min to Max Shaft Dia. 7.972 to 7.987 mm
- Max. Radial Dynamic Load 8000 N
- Bolt Hole Centres (L) 39.00 mm
- Max Speed 4770
- Material PTFE Impregnated Bronze
Product Compliance and Data
Additional Resources
Cross References
- 2820T42


