
Miniature Bearings Australia
A-45RS - Datasheet
MBA
Category Information
Suction CupsSuction Cups. EPDM or Natural Rubber as listed against each item
- EPDM is a higher grade rubber that rates excellent for ozone resistance and is used for molded parts used outdoors.
- SBR is Styrene-butadiene Rubber is a general purpose rubber but not recommended for continual use outdoors or in oily environments.
Product Data
Deleted Item. Available while stocks last.
Please contact us first if you wish to use this item in a new design so we can check whether production can be resumed.
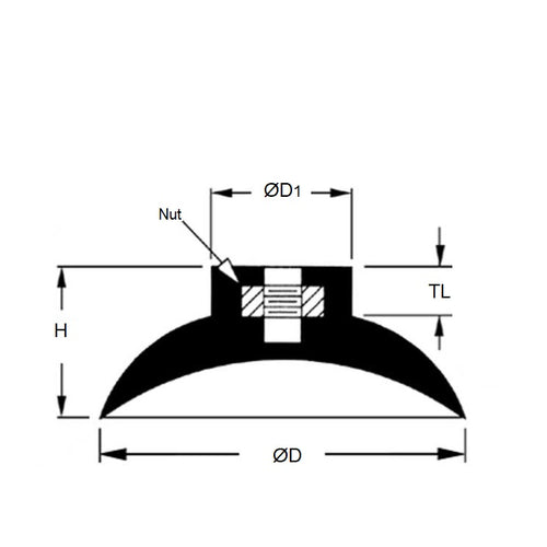
- Diameter
:
79.400
mm
(Equiv. 3.126 in.) - Height
41.300
mm
(Equiv. 1.626 in.) - Description Hollow Neck with 1/4-20 Insert
- Colour Grey
- Material EPDM rubber
Product Compliance and Data
Additional Resources



