
Miniature Bearings Australia
BF0762-0889-0603-BS10295LL - Datasheet
MBA
Category Information
Bushes - Flanged - Bronze - SinteredSintered Bronze Flanged Bushes. Oil impregnated flanged sintered bronze bushes.
- An expanded range may be available on special order. Please enquire.
- Precision items show an allowable Load Speed Rating in Newtons times RPM.
Product Data
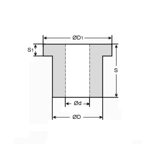
- Nominal Inside Diameter (d)
:
76.200
mm
+ 0.025 / + 0.051
(Equiv. 3 in.) - Nominal Outside Diameter (D)
88.900
mm
+ 0.025 / + 0.051
(Equiv. 3.5 in.) - Length (s)
60.325
mm
+/- 0.190
(Equiv. 2.375 in.) - Flange OD (D1) 101.60 mm
- Flange Thickness (S1) 9.53 mm
- Material Bronze SAE 841 Sintered
Product Compliance and Data
Additional Resources
- DU Bush Material Information
- General Bushes Catalogue
- Sintered Bronze Products Catalogue
- Solid Bronze Bushes catalogue
Cross References
- 6338K615
- Oilite FF3500
- Oilite FF-3500
- Oilube FF-3500
- Symmco SF-96112-38
- BF076208890603BSLL
- SF9611238


