
Miniature Bearings Australia
RRN-300 - Datasheet
MBA
Category Information
Retaining Rings - Internal - Spiral Rings - Heavy Duty - Carbon SteelCarbon Steel Heavy Duty Spiral Rings Internal Retaining Rings. Includes AHI / WHM / AS3215 / RRN / MIL-R-27426B2 - Spring Steel
- An expanded range may be available on special order. Please enquire.
- Heavy duty design for use with NAS669-670 deep grooves in applications like double row and tapered roller bearings.
- Requires no tools for removal.
- Equivalent to Associated Spring: AHI, Smalley: WHM, Spirolox and Ramsey: RRN, Aerospace AS3215, MIL-R-27426B2
Product Data
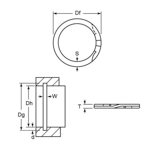
- Housing Bore (B)
:
76.20
mm
(Equiv. 3 in.) - Clip Thickness (T)
2.37
mm
+/- 0.08
(Equiv. 0.093 in.) - Groove Dia. (Dg)
80.83
mm
(Equiv. 3.182 in.) - Approx. Loose Circlip OD (Dr) 81.31 mm + 0.76 / - 0.00
- Radial Wall (S) Approx. 5.72 mm +/- 0.13
- Groove Width (W) 2.68 mm +/- 0.16
- Approx. Loose Clip ID 69.87 +/- 0.06
- Groove Depth (d) 2.31
- Material Carbon Spring Steel
Product Compliance and Data
Additional Resources
Cross References
- 91985A341
- Associated Spring AHI-300
- Smalley WHM-300
- WHM300
- AHI300


