
Miniature Bearings Australia
GE-07620-12065-ST-OH - Datasheet
MBA
Category Information
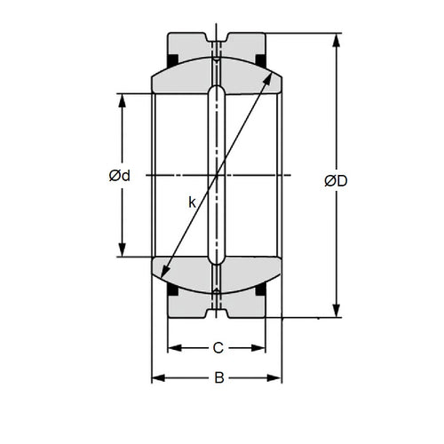
Bushings - Spherical - Steel - With Oil HoleWith Oil Hole Steel Spherical Bushings. Steel spherical plain bearings. Also known as ball bushings.
- Compensates for axial loads and misalignment.
Product Data
- Bore (d1)
:
76.200
mm
(Equiv. 3 in.) - OD (d2)
120.650
mm
(Equiv. 4.75 in.) - Width (B)
66.680
mm
(Equiv. 2.625 in.) - Outer Width (C) 57.15 mm
- Dynamic Load Capacity 62900 kgf
- Static Load Capacity 377000 kgf
- Features No Wiper Seals / With Oil Hole
- Material Steel
Product Compliance and Data
Additional Resources
Cross References
- IKO SBB48
- Nachi SBB-48



