
Miniature Bearings Australia
GE-07620-12065-ST-OH-W - Datasheet
MBA
Category Information
Bushings - Spherical - Steel - With Oil Hole and Wiper SealWith Oil Hole and Wiper Seal Steel Spherical Bushings. Steel spherical plain bearings. Also known as ball bushings.
- Compensates for axial loads and misalignment.
Product Data
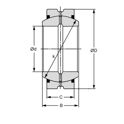
- Bore (d1)
:
76.200
mm
(Equiv. 3 in.) - OD (d2)
120.650
mm
(Equiv. 4.75 in.) - Width (B)
66.680
mm
(Equiv. 2.625 in.) - Outer Width (C) 57.15 mm
- Dynamic Load Capacity 62900 kgf
- Static Load Capacity 377000 kgf
- Features With Wiper Seals / With Oil Hole
- Material Steel
Product Compliance and Data
Additional Resources
Cross References
- Nachi SBB-48-2RS
- IKO SBB48-2RS
- Nachi SBB-48-RS
- IKO SBB48-RS
- SBB482RS
- SBB48RS



