
Miniature Bearings Australia
GE-07500-12000-ST-OH-SP - Datasheet
MBA
Category Information
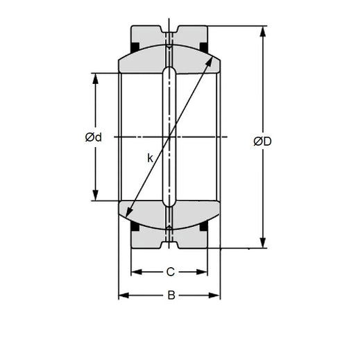
Bushings - Spherical - Steel - With Oil HoleWith Oil Hole Steel Spherical Bushings. Steel spherical plain bearings. Also known as ball bushings.
- Compensates for axial loads and misalignment.
Product Data
- Bore (d1)
:
75.000
mm
(Equiv. 2.953 in.) - OD (d2)
120.000
mm
(Equiv. 4.724 in.) - Width (B)
64.000
mm
(Equiv. 2.52 in.) - Outer Width (C) 55.00 mm
- Dynamic Load Capacity 60500 kgf
- Static Load Capacity 363000 kgf
- Features Spring and oil Hole on OD
- Material Steel
Product Compliance and Data
Additional Resources
Cross References
- IKO SB-7512064
- SB7512064



