
Miniature Bearings Australia
GE-07500-12000-ST-OH - Datasheet
MBA
Category Information
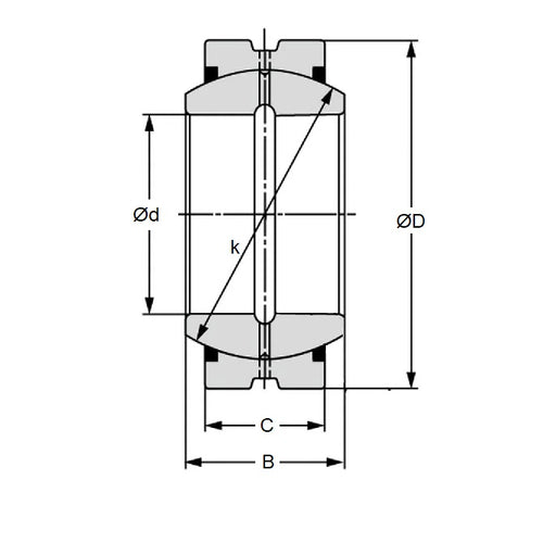
Bushings - Spherical - Steel - With Oil HoleWith Oil Hole Steel Spherical Bushings. Steel spherical plain bearings. Also known as ball bushings.
- Compensates for axial loads and misalignment.
Product Data
- Bore (d1)
:
75.000
mm
(Equiv. 2.953 in.) - OD (d2)
120.000
mm
(Equiv. 4.724 in.) - Width (B)
64.000
mm
(Equiv. 2.52 in.) - Outer Width (C) 55.00 mm
- Dynamic Load Capacity 60500 kgf
- Static Load Capacity 363000 kgf
- Features No Wiper Seals / With Oil Hole
- Material Steel
Product Compliance and Data
Additional Resources
Cross References
- Nachi SB-75A
- IKO SB-75-A
- SB75A



