
Miniature Bearings Australia
GM-25A370-075 - Datasheet
MBA
Category Information
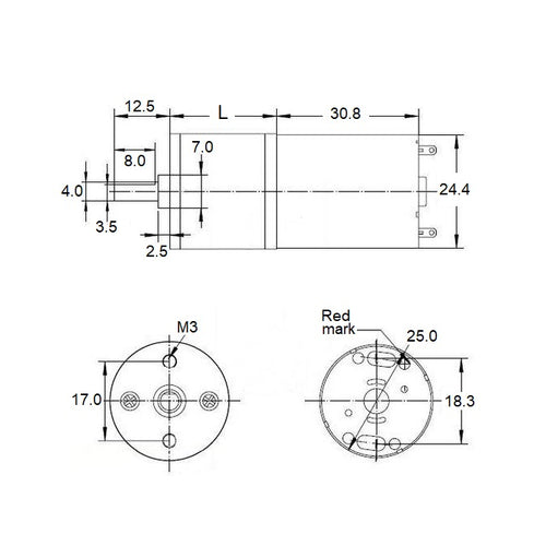
Gearmotors - DC - Size 25 EconomySize 25 Economy DC Gearmotors. 25mm Gearhead Body Diameter. 24.4mm Motor Body Diameter. Low cost. Reversible
- This category will be discontinued when the remaining items are sold.
- All items are priced to quit.
- Backorders or orders for previously listed items in the category will only be available for very large orders.
- D Shaped 4x8mm Output Shaft
Product Data
Deleted Item. Available while stocks last.
Please contact us first if you wish to use this item in a new design so we can check whether production can be resumed.
- Unloaded Speed : 75 RPM
- Stall Torque at 6V 6120 g.cm
- Gear Section Length (L)
23
mm
(Equiv. 0.906 in.) - Overall Length (L + 30.8) 53.8 mm
- Rated Voltage 6 V
- Stall Current at 6V 2.2 A
- Output Shaft Size 4 dia x 8 long with 3.5mm Flat mm
- Gear Ratio 60.0
Product Compliance and Data
Additional Resources



