
Miniature Bearings Australia
P205PE - Datasheet
KMS
Category Information
Housings - Pillow Block - ThermoplasticThermoplastic Pillow Block Housings. Use with steel or plastic bearing inserts for plastic housings.
- An expanded range may be available on special order. Please enquire.
- Load and speed capability depend on the bearing used.
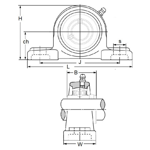
Product Data
- Height (H)
:
71.000
mm
(Equiv. 2.795 in.) - Length (L)
140.500
mm
(Equiv. 5.531 in.) - Base Width (W)
38.000
mm
(Equiv. 1.496 in.) - Bolt Hole Centres (J) 105.000 mm
- Centre Height (cH) 36.500 mm
- Bearing Width (B) 18.000 mm
- To Suit Bearing UC205 - UCDR205 - S6-UC205
- Bolt Hole Size (s) 11 x 14 mm
- Material Polyethylene
Product Compliance and Data
Additional Resources
Cross References
- KMS PPL205


