
Miniature Bearings Australia
GE-07000-12000-ST-OH-W - Datasheet
MBA
Category Information
Bushings - Spherical - Steel - With Oil Hole and Wiper SealWith Oil Hole and Wiper Seal Steel Spherical Bushings. Steel spherical plain bearings. Also known as ball bushings.
- Compensates for axial loads and misalignment.
Product Data
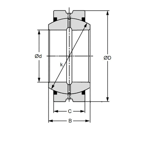
- Bore (d1)
:
70.000
mm
(Equiv. 2.756 in.) - OD (d2)
120.000
mm
(Equiv. 4.724 in.) - Width (B)
70.000
mm
(Equiv. 2.756 in.) - Outer Width (C) 45.00 mm
- Dynamic Load Capacity 47300 kgf
- Static Load Capacity 284000 kgf
- Features With Wiper Seals / With Oil Hole
- Material Steel
Product Compliance and Data
Additional Resources
Cross References
- Nachi GE-70GS-2RS
- IKO GE70GS-2RS
- Nachi GE-70GS-RS
- IKO GE70GS-RS
- GE70GS2RS
- GE70GSRS



