
Miniature Bearings Australia
GE-07000-11000-ST-OH - Datasheet
MBA
Category Information
Bushings - Spherical - Steel - With Oil HoleWith Oil Hole Steel Spherical Bushings. Steel spherical plain bearings. Also known as ball bushings.
- Compensates for axial loads and misalignment.
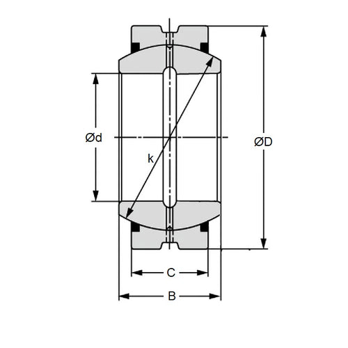
Product Data
- Bore (d1)
:
70.000
mm
(Equiv. 2.756 in.) - OD (d2)
110.000
mm
(Equiv. 4.331 in.) - Width (B)
58.000
mm
(Equiv. 2.283 in.) - Outer Width (C) 50.00 mm
- Dynamic Load Capacity 50000 kgf
- Static Load Capacity 300000 kgf
- Features No Wiper Seals / With Oil Hole
- Material Steel
Product Compliance and Data
Additional Resources
Cross References
- Nachi SB-70A
- IKO SB-70-A
- SB70A



