
Miniature Bearings Australia
RPO-079-080-SP15 - Datasheet
MBA
Category Information
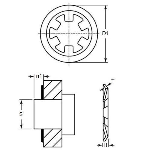
Retaining Rings - Push On - Stainless SteelStainless Steel Push On Retaining Rings. Rotor Clip TY. Stainless Steel hardness HR15N 82.5-86
- An expanded range may be available on special order. Please enquire.
- PH 15-7/17-7 Stainless Steel and 1.4310 Stainless Steel
Product Data
- Min shaft size (s1)
:
7.90
mm
(Equiv. 0.311 in.) - Max Shaft Size (s2)
7.95
mm
(Equiv. 0.313 in.) - Outside diameter (D1)
13.00
mm
(Equiv. 0.512 in.) - Min shaft extension (n1) 1.02 mm
- Material Thickness (t) 0.38 mm
- Approx. Thrust Load 21 kg
- Material Stainless Steel Grade PH15-7-17
Product Compliance and Data
Additional Resources
Cross References
- Waldes 5105-031-SS
- IRR 6100-031-SS
- NoCor TY-031-SS
- Rotor Clip TY-031-SS
- TY031SS
- 6100031SS
- 5105031SS


