
Miniature Bearings Australia
CLP-079-0643-S4 - Datasheet
MBA
Category Information
Pins - Clevis - Pin Locking - Stainless Steel 300 GradeStainless Steel 300 Grade Pin Locking Clevis Pins. Match with a suitable R-Clip or Spilt Pin - pin size shown in listings
- In addition to retaining parts on a shaft or axle, clevis pins can also be used as light duty axles, spring holders or even fishing line weights.
Product Data
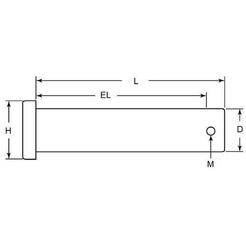
- Nominal Pin Diameter (D)
:
7.94
mm
- 0.05 / - 0.18
(Equiv. 0.313 in.) - Grip Length (EL)
64.29
mm
+ 0.51 / - 0.00
(Equiv. 2.531 in.) - Nom. Length (L)
69.85
mm
+ 0.51 / - 0.00
(Equiv. 2.75 in.) - Ret. Pin Dia. (M) 2.4 mm
- Suitable R-Clip RCL-020-047-S4
- Material Stainless Steel 300 Series
Product Compliance and Data
Additional Resources
Cross References
- NoCor CLPS-0312-2750
- CLPS03122750



