
Miniature Bearings Australia
BF0079-0095-0095-BS1312LT - Datasheet
MBA
Category Information
Bushes - Flanged - Bronze - SinteredSintered Bronze Flanged Bushes. Oil impregnated flanged sintered bronze bushes.
- An expanded range may be available on special order. Please enquire.
- Precision items show an allowable Load Speed Rating in Newtons times RPM.
Product Data
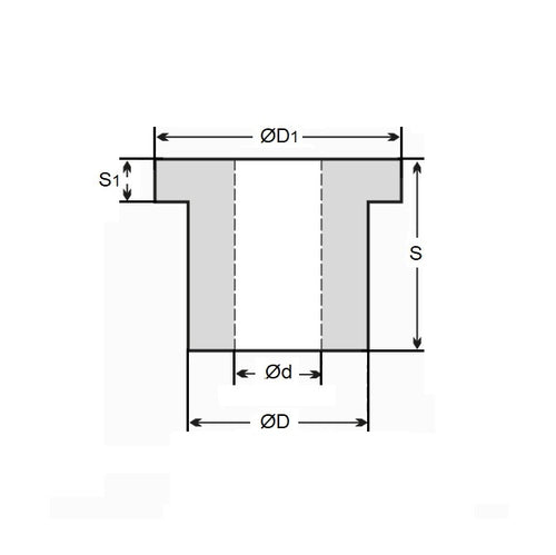
- Nominal Inside Diameter (d)
:
7.938
mm
+ 0.012 / + 0.038
(Equiv. 0.313 in.) - Nominal Outside Diameter (D)
9.525
mm
+ 0.025 / + 0.051
(Equiv. 0.375 in.) - Length (s)
9.525
mm
+/- 0.191
(Equiv. 0.375 in.) - Flange OD (D1) 12.70 mm
- Flange Thickness (S1) 1.19 mm
- Material Bronze SAE 841 Sintered
Product Compliance and Data
Additional Resources
- DU Bush Material Information
- General Bushes Catalogue
- Sintered Bronze Products Catalogue
- Solid Bronze Bushes catalogue
Cross References
- Boston FB-56-3
- Oilite FB56-3
- BF007900950095BS
- BF007900950095BSLT
- FB563
- A7B4-SF101203
- A7B4SF101203


