
Miniature Bearings Australia
GHK0794-0794-127 - Datasheet
ExaktKey
Category Information
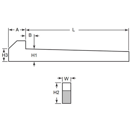
Keys - Gib Head - SteelSteel Gib Head Keys. Tapered 3.000 mm per 300 mm (1:100)
- An expanded range may be available on special order. Please enquire.
Product Data
Deleted Item. Available while stocks last.
Please contact us first if you wish to use this item in a new design so we can check whether production can be resumed.
- Nominal Key Height (H1)
:
7.938
mm
(Equiv. 0.313 in.) - Width (W)
7.938
mm
(Equiv. 0.313 in.) - Length (L)
127.0
mm
(Equiv. 5 in.) - Head Height (h2) Approx. 12.7 mm
- Approx (B) 7.62
- Approx (H3) 8.73
- Taper 1:100
- Standard BS46
- Head Length (Approx) (A) 9.53 mm
- Material Cold Finished Steel
Product Compliance and Data
Additional Resources
Cross References
- NoCor GIB-0312-5000
- MAK-A-KEY JFOR5X516
- GIB03125000


