
Miniature Bearings Australia
BP0079-0127-0095-PRJ - Datasheet
MBA
Category Information
Bushes - Unflanged - Plastic - Rulon JRulon J Plastic Unflanged Bushes. Max Load: 5.2 MPa (750 psi). Gold colour. Max surface speed: 2m/s. Max PV: 0.26 (Mpa x m/s)
- An expanded range may be available on special order. Please enquire.
- Non Metallic Bushes. Excellent insulator. Nor suitable for steam or wet conditions. Not FDA compliant. Suitable for dry conditions or vacuum.
- 288 oC (550 Deg F) Maximum Working Temperature.
- Patented all polymeric PTFE compound which operates well against soft mating surfaces.
- Lowest co-efficient of friction in the Rulon(R) product range.
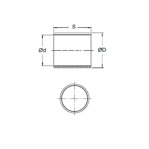
Product Data
- Nominal Inside Diameter (d)
:
7.938
mm
+ 0.17 / + 0.22
(Equiv. 0.313 in.) - Nominal Outside Diameter (D)
12.700
mm
+ 0.07 / + 0.12
(Equiv. 0.5 in.) - Length (s)
9.525
mm
+ 0.00 / - 0.25
(Equiv. 0.375 in.) - Rec. Housing Bore 12.700 / 12.675 mm
- Rec. Shaft Size 7.938 / 7.912
- Material Rulon J
Product Compliance and Data
Additional Resources
- DU Bush Material Information
- General Bushes Catalogue
- Sintered Bronze Products Catalogue
- Solid Bronze Bushes catalogue
Cross References
- 6377K44
- Rulon DRJS-0508-3-J
- Small Parts SBP-5-6
- DRJS05083J
- SBP56


