
Miniature Bearings Australia
SFR1810-ZS-MC34-GR5-R-G48 - Datasheet
Myonic
Category Information
Bearings - Single Row Ball - Flanged - High Precision - StandardStandard High Precision Flanged Single Row Ball Bearings. Stainless Steel Bearings with Flanges - Abec 5 and Abec 7.
- Single row radial ball bearings are arguably the most common, widely used type of bearing. They consist of an inner ring, an outer ring, a set of balls, and a cage that retains the balls in a circular path.
- Single row radial ball bearings are commonly used in a wide range of applications, including electric motors, fans, pumps, gearboxes, agricultural equipment, appliances, and automotive components.
- They are versatile, cost-effective bearings that provide reliable support for radial loads and some axial loads in one direction. An expanded range may be available on special order. Please enquire.
- Single row radial ball bearings with flanges.
- High precision bearings are not recommended for skates or fishing reels.
- High precision bearings are used in accurately balanced application such as spindles, gyros and medical equipment.
- If your application is not of a precision nature, standard bearings may be more suitable (and less expensive).
Product Data
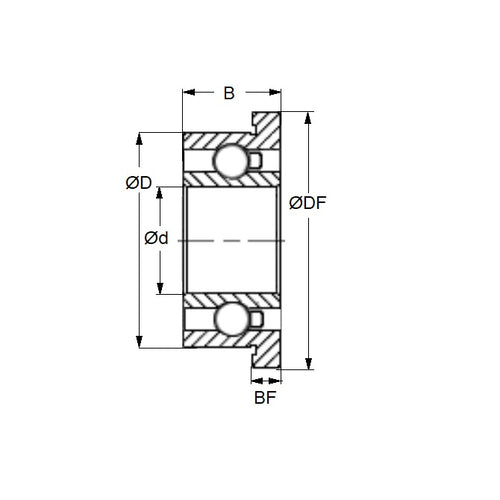
- ID (d) 
:
7.938
mm
+ 0.000 / - 0.005
 (Equiv. 0.313 in.)
- OD (D) 
12.700
mm
+ 0.000 / - 0.005
 (Equiv. 0.5 in.)
- Width (B) 
3.969
mm
+ 0.000 / - 0.040
 (Equiv. 0.156 in.)
- Flange Diameter (DF) 13.894 mm
- Flange Width (BF) 0.787 mm
- Precision Grade Abec 5
- Closure Type Z
- Bearing Type Radial Flanged
- Lubricant Turmogrease Li 802 EP plus
- Notes Single Shield on Flanged Side
- Material Stainless Steel AISI 440C
- Lubrication Type Grease
- Lubrication Name G48 Turmogrease Li 802 EP plus
- Basic Part FR1810
- Limiting Speed 48000
- Cage Type Ribbon
- Static Load Rating KGf 28
- Dynamic Load Rating KGf 55
- Radii 0.15 mm
- Inner Shoulder (UI) 9.00mm
- Outer Shoulder (UO) 11.55 mm
- Number of Balls 12
- Clearance MC34 (5 to 13)
- Precision Grade Abec 5
- Closure Type ZS
- Max Temperature 120 Deg. C
Product Compliance and Data
Additional Resources
- Catalogue: Ceramic Bearings Catalogue
- Catalogue: Plastic Bearings Catalogue
- Catalogue: Standard Bearings Catalogue
- General: Bearing Cleanliness
- General: Bearing Clearances
- General: Bearing Flanges & Snap Rings
- General: Bearing Retainers (Cages)
- General: General Loads Information
- General: Lubrication
- General: Prefix & Suffix Guide
- General: Static vs Dynamic Loads
- Materials: 316 Stainless
- Materials: CASSTOP Anti-Corrosion Bearing Material
- Materials: Ceramic vs Ceramic Hybrid
- Materials: Ceramic Bearings in Vibratory Applications
- Materials: Ceramic Hybrid Bearings in Vibratory Applications
- Materials: General Bearing Materials
- Materials: Magnetism & Bearings
- Precision: 316 Stainless & Plastic Bearing Tolerances
- Precision: ABEC Basic Information
- Precision: Precision Bearing Tolerances
- Problem Solving: Bearing Failure
- Problem Solving: Fatigue (L10 Life)
- Problem Solving: Noise
Cross References
- S9912YE3150FS2G
- S9912Y-E3150FS2G
- ULKZ10016X.1c-48-A5P-6/15-G48
- ULKZ10016X1c48A5P6/15G48
- ULKZ10016X.1-5/13-A5P-G5
- ULKZ10016X15/13A5PG5
- SFR1810ZSRGR5MC34G48
- SFR1810ZSMC34GR5G5
- SSFR1810ZSRGR5MC34G48
- SSFR1810ZSMC34GR5G5
- SS9912Y-E3150FS2G
- SS9912YE3150FS2G
- FR1810 Basic Size Ref
 
 
 


