
Miniature Bearings Australia
BF0079-0127-0127-BS1724LT - Datasheet
MBA
Category Information
Bushes - Flanged - Bronze - SinteredSintered Bronze Flanged Bushes. Oil impregnated flanged sintered bronze bushes.
- An expanded range may be available on special order. Please enquire.
- Precision items show an allowable Load Speed Rating in Newtons times RPM.
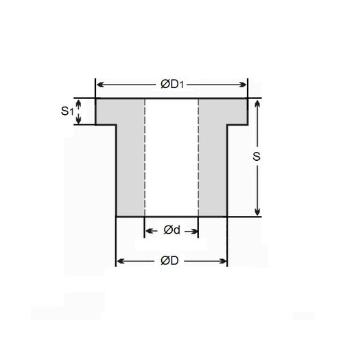
Product Data
- Nominal Inside Diameter (d) 
:
7.938
mm
+ 0.012 / + 0.038
 (Equiv. 0.313 in.)
- Nominal Outside Diameter (D) 
12.700
mm
+ 0.025 / + 0.051
 (Equiv. 0.5 in.)
- Length (s) 
12.700
mm
+/- 0.191
 (Equiv. 0.5 in.)
- Flange OD (D1) 17.46 mm
- Flange Thickness (S1) 2.38 mm
- Material Bronze SAE 841 Sintered
Product Compliance and Data
Additional Resources
- DU Bush Material Information
- General Bushes Catalogue
- Sintered Bronze Products Catalogue
- Solid Bronze Bushes catalogue
Cross References
- Boston FB-58-4
- Oilite FB58-4
- BF007901270127BS
- FB584
- A7B4-SF101604
- A7B4SF101604
 
 
 


