
Miniature Bearings Australia
BF0079-0127-0123-BS1417LH - Datasheet
MBA
Category Information
Bushes - Flanged - Bronze - SinteredSintered Bronze Flanged Bushes. Oil impregnated flanged sintered bronze bushes.
- An expanded range may be available on special order. Please enquire.
- Precision items show an allowable Load Speed Rating in Newtons times RPM.
Product Data
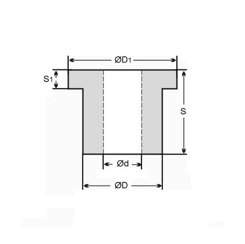
- Nominal Inside Diameter (d) 
:
7.938
mm
+ 0.000 / + 0.025
 (Equiv. 0.313 in.)
- Nominal Outside Diameter (D) 
12.700
mm
+ 0.076 / + 0.102
 (Equiv. 0.5 in.)
- Length (s) 
12.314
mm
+/- 0.127
 (Equiv. 0.485 in.)
- Flange OD (D1) 14.27 mm
- Flange Thickness (S1) 1.65 mm
- Material Bronze SAE 841 Sintered
Product Compliance and Data
Additional Resources
- DU Bush Material Information
- General Bushes Catalogue
- Sintered Bronze Products Catalogue
- Solid Bronze Bushes catalogue
Cross References
- BF007901270123BS
- BF007901270123BSLH
- A7B4F008
- A7B4-F008
 
 
 


