
Miniature Bearings Australia
BP0079-0111-0048-BSLH - Datasheet
MBA
Category Information
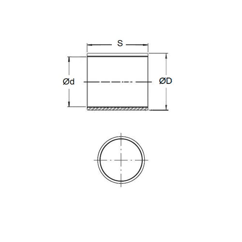
Bushes - Unflanged - Bronze - SinteredSintered Bronze Unflanged Bushes. Oil impregnated sintered bronze bushes.
- An expanded range may be available on special order. Please enquire.
- Precision items show an allowable Load Speed Rating in Newtons times RPM.
Product Data
- Nominal Inside Diameter (d)
:
7.938
mm
+ 0.013 / + 0.038
(Equiv. 0.313 in.) - Nominal Outside Diameter (D)
11.113
mm
+ 0.051 / + 0.076
(Equiv. 0.438 in.) - Length (s)
4.750
mm
+/- 0.127
(Equiv. 0.187 in.) - Material Bronze SAE 841 Sintered
Product Compliance and Data
Additional Resources
- DU Bush Material Information
- General Bushes Catalogue
- Sintered Bronze Products Catalogue
- Solid Bronze Bushes catalogue
Cross References
- BP007901110048BS
- A7B4P023
- A7B4-P023


