
Miniature Bearings Australia
BP0079-0111-0159-BSLT - Datasheet
MBA
Category Information
Bushes - Unflanged - Bronze - SinteredSintered Bronze Unflanged Bushes. Oil impregnated sintered bronze bushes.
- An expanded range may be available on special order. Please enquire.
- Precision items show an allowable Load Speed Rating in Newtons times RPM.
Product Data
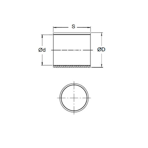
- Nominal Inside Diameter (d)
:
7.938
mm
+ 0.000 / + 0.025
(Equiv. 0.313 in.) - Nominal Outside Diameter (D)
11.113
mm
+ 0.025 / + 0.051
(Equiv. 0.438 in.) - Length (s)
15.875
mm
+/- 0.127
(Equiv. 0.625 in.) - Material Bronze SAE 841 Sintered
Product Compliance and Data
Additional Resources
- DU Bush Material Information
- General Bushes Catalogue
- Sintered Bronze Products Catalogue
- Solid Bronze Bushes catalogue
Cross References
- 6391K164
- Oilite® AA401-21
- Oilube® AA401-21
- Oilite® AA407-2
- Oilube® AA407-2
- Small Parts SBB-5-10
- BP007901110159BSUH
- BP007901110159BSUT
- BP007901110159BS-UH
- AA40121
- SBB510


