
Miniature Bearings Australia
REF-079-R-CN - Datasheet
MBA
Category Information
Rod Ends - Female - Steel - Plain - Nylon RacewayNylon Raceway Plain Steel Female Rod Ends. Also known as Heim Joints
- An expanded range may be available on special order. Please enquire.
Product Data
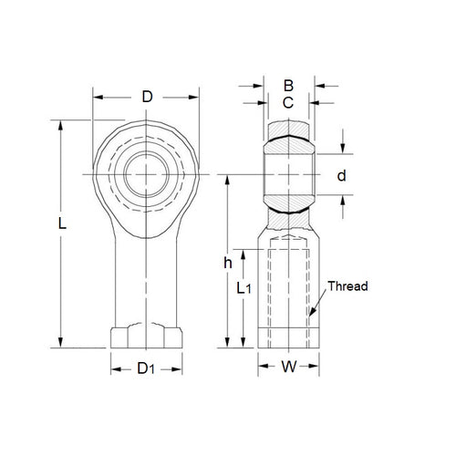
- Eye Size (d1)
:
7.938
mm
(Equiv. 0.313 in.) - Overall Length (L)
46.02
mm
(Equiv. 1.812 in.) - Thread Size 5/16-24 UNF Right
- Thread Length (l2) 19.05 mm
- Head Width (W) 8.74 mm
- Eye Width (W1) 11.10 mm
- Head Diameter (D) 22.23 mm
- Centre Height (l1) 34.93 mm
- Body Width/Flange Width(W2/D3) 11.10 / 12.70 mm
- Material Steel with Nylon Raceway
Product Compliance and Data
Additional Resources
Cross References
- Small Parts REJF-5
- REJF5
- SPF-5
- SPF5



