
Miniature Bearings Australia
BFM-312-AF - Datasheet
MBA
Category Information
Housing and Bearing Assembly - Flanged 2 Bolt - Self Aligning - PlasticPlastic Self Aligning Flanged 2 Bolt Housing and Bearing Assembly. This is the main category in this series
- Bearing housing assemblies combine matching parts already assembled. Bearings in this range refer to either ball bearings or plain bearings. Refer to the listings for each type.
- Flanged mounting allows for a shaft to run through a bulkhead to which the housing is mounted, or to have a shaft mounted perpendicular to a metal frame.
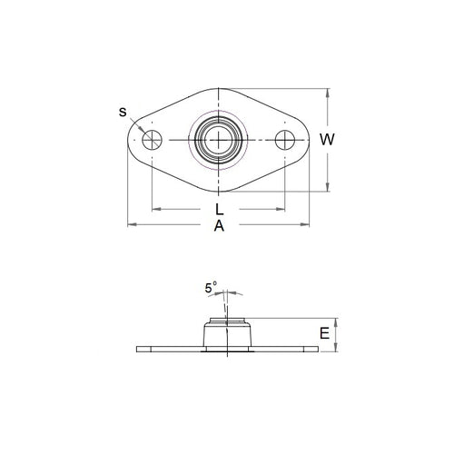
- +/- 5% Static Alignment
Product Data
Deleted Item. Available while stocks last.
Please contact us first if you wish to use this item in a new design so we can check whether production can be resumed.
- Nominal Shaft Size
:
7.938
mm
(Equiv. 0.313 in.) - Width (W)
53.34
mm
(Equiv. 2.1 in.) - Overall Length (A)
15.08
mm
(Equiv. 0.594 in.) - Overall Height (E) 30.23 mm
- Min to Max Shaft Dia. 7.963 to 8.014 mm
- Max. Radial Dynamic Load 534 N
- Bolt Hole Centres (L) 38.86 mm
- Max Speed 1220
- Material Delrin ™ AF
Product Compliance and Data
Additional Resources


