
Miniature Bearings Australia
RPO-078-080-SP15 - Datasheet
MBA
Category Information
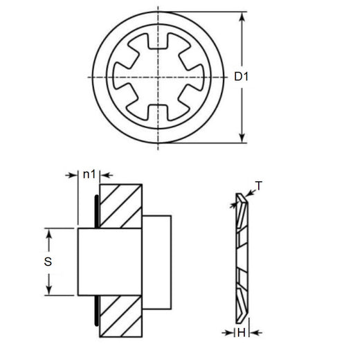
Retaining Rings - Push On - Stainless SteelStainless Steel Push On Retaining Rings. Rotor Clip TY. Stainless Steel hardness HR15N 82.5-86
- An expanded range may be available on special order. Please enquire.
- PH 15-7/17-7 Stainless Steel and 1.4310 Stainless Steel
Product Data
- Min shaft size (s1)
:
7.82
mm
(Equiv. 0.308 in.) - Max Shaft Size (s2)
8.03
mm
(Equiv. 0.316 in.) - Outside diameter (D1)
15.00
mm
(Equiv. 0.591 in.) - Min shaft extension (n1) 1.88 mm
- Material Thickness (t) 0.38 mm
- Approx. Thrust Load 52 kg
- Material Stainless Steel Grade PH15-7-17
Product Compliance and Data
Additional Resources
Cross References
- Waldes 5115-031-SS
- NoCor TX-031-SS
- Rotor Clip TX-031-SS
- N1465-031-SS
- N1465031SS
- TX031SS
- 5115031SS



