
Miniature Bearings Australia
RPO-078-080-C - Datasheet
MBA
Category Information
Retaining Rings - Push On - Carbon SteelCarbon Steel Push On Retaining Rings. M1465 / DTX / Seeger ZA and KS.
- An expanded range may be available on special order. Please enquire.
- Thrust load shown is calculated for ideal conditions with mild steel shaft.
- If no thrust load is shown, testing is suggested.
Product Data
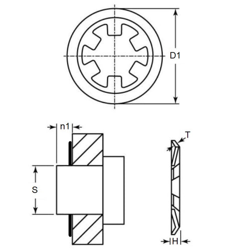
- Min shaft size (s1)
:
7.82
mm
(Equiv. 0.308 in.) - Max Shaft Size (s2)
8.03
mm
(Equiv. 0.316 in.) - Outside diameter (D1)
14.83
mm
(Equiv. 0.584 in.) - Min shaft extension (n1) 1.88 mm
- Height (H) Max. 0.94 mm
- Material Thickness (t) 0.25 mm
- Approx. Thrust Load 26 kg
- Material Carbon Steel
Product Compliance and Data
Additional Resources
Cross References
- Waldes 5115-031
- 98430A132
- NoCor TX-031
- Rotor Clip TX-031
- N1465-0031APP
- N14650031APP
- N1465031
- N1465-031
- TX031
- 5115031


