
Miniature Bearings Australia
FP-9RS - Datasheet
MBA
Category Information
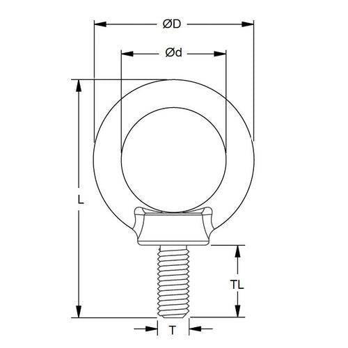
Eye Bolts - Threaded Shank - Plain - Carbon SteelCarbon Steel Plain Threaded Shank Eye Bolts. Forged self coloured carbon steel.
- Forged self coloured carbon steel.
- Should not be used for angular lifts greater than 45o. Safety swivel hoist rings are recommended for such applications.
Product Data
- Thread Size : 7/8-9 UNC (22.23mm)
- Shank Length
57.150
mm
(Equiv. 2.25 in.) - Eye Inside Diameter
42.863
mm
(Equiv. 1.688 in.) - Rated Capacity 3175 Kg
Product Compliance and Data
Additional Resources
Cross References
- 3013T54


