Miniature Bearings Australia - MBA Minibearings
Miniature Bearings Australia

CC-070-079-SS - Datasheet

MBA

Category Information

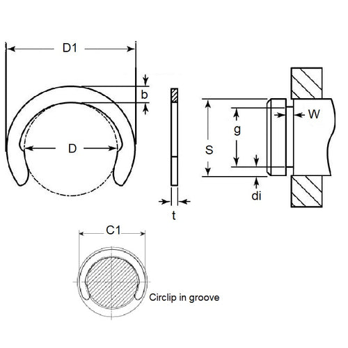
Retaining Rings - Crescent

Crescent Retaining Rings. Variation of an E-Clip with an open face. Also known as a C-Clip.

  • Narrow section height provides good clearance capabilities.
  • Absence of teeth and deep set mean less thrust load ratings than e-clips.
  • For best results install using the recommended applicator tool.

Product Data

  • Groove Diameter (G) : 7.01 mm
    (Equiv. 0.276 in.)
  • Shaft Diameter (S) 7.93 mm
    (Equiv. 0.312 in.)
  • Thickness (t) 0.64 mm
    (Equiv. 0.025 in.)
  • Clip OD in groove (C1) 9.91 mm
  • Clip OD Loose (D1) 9.55 mm
  • Groove Width (W) 0.74
  • Material Stainless Steel Grade PH15-7-17
Country of Origin: US

Product Compliance and Data

Additional Resources

    Cross References

    • Military 16632-031-SS/B
    • Military 16632-031-SS-B
    • Waldes 5103-031-SS/B
    • Waldes 5103-031-SS-B
    • Ellison 9103-031-SS/B
    • Ellison 9103-031-SS-B
    • NoCor C-031-SS/B
    • Rotor Clip C-031-SS/B
    • NoCor C-031-SS-B
    • Rotor Clip C-031-SS-B
    • N1800031SS/B
    • N1800-031-SS/B
    • N1800031SSB
    • N1800-031-SS-B
    • 16632031SS/B
    • 16632031SSB
    • 9103031SS/B
    • 9103031SSB
    • 5103031SSB
    • 5103031SS/B
    • C031SSB
    • C031SS/B
    View full details