
Miniature Bearings Australia
CC-070-079-CZ - Datasheet
MBA
Category Information
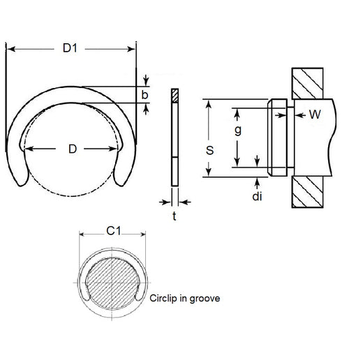
Retaining Rings - CrescentCrescent Retaining Rings. Variation of an E-Clip with an open face. Also known as a C-Clip.
- Narrow section height provides good clearance capabilities.
- Absence of teeth and deep set mean less thrust load ratings than e-clips.
- For best results install using the recommended applicator tool.
Product Data
- Groove Diameter (G)
:
7.01
mm
(Equiv. 0.276 in.) - Shaft Diameter (S)
7.93
mm
(Equiv. 0.312 in.) - Thickness (t)
0.64
mm
(Equiv. 0.025 in.) - Clip OD in groove (C1) 9.91 mm
- Clip OD Loose (D1) 9.55 mm
- Groove Width (W) 0.74
- Material Carbon Spring Steel Zinc Plated
Product Compliance and Data
Additional Resources
Cross References
- Military 16632-031-ZD/B
- Military 16632-031-ZD-B
- Waldes 5103-031-ZD/B
- Waldes 5103-031-ZD-B
- Ellison 9103-031-ZD/B
- Ellison 9103-031-ZD-B
- NoCor C-031-ZD/B
- Rotor Clip C-031-ZD/B
- NoCor C-031-ZD-B
- Rotor Clip C-031-ZD-B
- N1800031ZD/B
- N1800-031-ZD/B
- N1800031ZDB
- N1800-031-ZD-B
- 16632031ZD/B
- 16632031ZDB
- 9103031ZDB
- 9103031ZD/B
- 5103031ZDB
- 5103031ZD/B
- C031ZD/B
- C031ZDB


