
Miniature Bearings Australia
BP0060-0090-0120-LL - Datasheet
MBA
Category Information
Bushes - Unflanged - Bronze - SinteredSintered Bronze Unflanged Bushes. Oil impregnated sintered bronze bushes.
- An expanded range may be available on special order. Please enquire.
- Precision items show an allowable Load Speed Rating in Newtons times RPM.
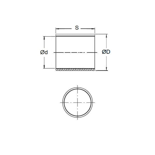
Product Data
- Nominal Inside Diameter (d)
:
6.000
mm
+ 0.000 / + 0.025
(Equiv. 0.236 in.) - Nominal Outside Diameter (D)
9.000
mm
+ 0.019 / + 0.040
(Equiv. 0.354 in.) - Length (s)
12.000
mm
+/- 0.127
(Equiv. 0.472 in.) - Material Bronze SAE 841 Sintered
Product Compliance and Data
Additional Resources
- DU Bush Material Information
- General Bushes Catalogue
- Sintered Bronze Products Catalogue
- Solid Bronze Bushes catalogue
Cross References
- Oilube AAM-609-12
- Oilite AAM609-12
- Oilube AAM609-12
- Oilube AM-609-12
- BP006000900120LT
- BP006000900120BST
- QM11-12
- QM1112
- AAM60912



